- Products: Premix Blowers
- Applicazioni - Riscaldamento: Condensing technology
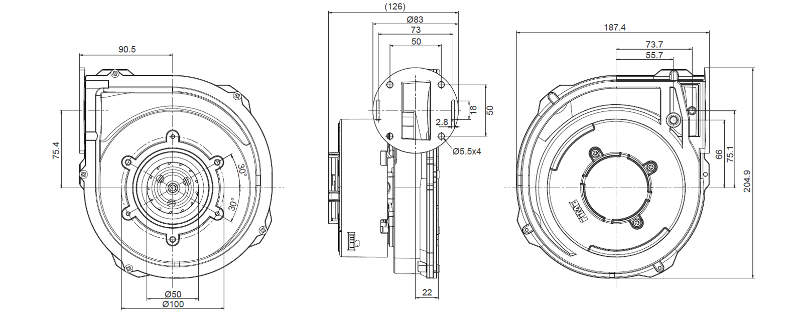
PX148
Premix blower for condensing systems with output up to 110kW
Technical Features
| Housing | Die-casted aluminium |
| Fixing system outlet | Holes, slots, flat or customized |
| Fixing system inlet | According to the gas valves available on the market and customized |
| Impeller | Plastic, antistatic, resistant to pentane |
| Rotation | Counter clockwise (seen from the impeller side) |
| Motor Driving System | 24V, 230V, 120V, Hall Sensor only |
| Operating temperature range | 0°C/ 70 °C |
| Protection Degree | IP 00 |
| Insulation Class | standard EN60335 – 1 |

