- Applicazioni - Elettrodomestici: No-frost solutions
- Products: No-frost Fans
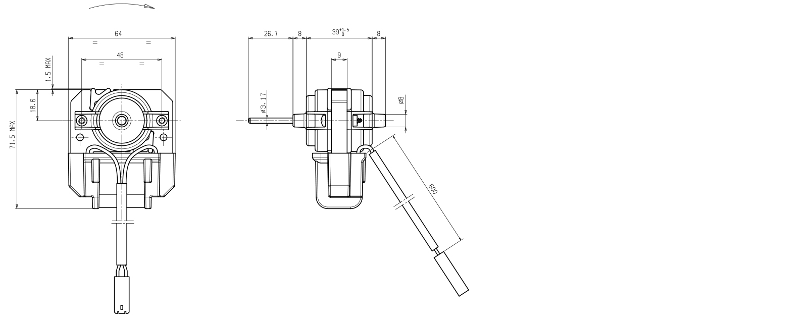
NO-FROST MOTORS
Shaded Poles motors to optimize fresh air and to eliminate condensation inside refrigerators with “No frost” technology. The main features of these fans are:
Low power consumption
Long life
Resistance at low temperature and humid environment
Low noise
Long life
Resistance at low temperature and humid environment
Low noise
Technical Features
| Technology | shaded poles motors |
| Rotation | Clockwise / Anticlockwise |
| Protection Degree | IP47 |
| Available different dameters of impellers for both direct and reverse air | |
