- Products: Shaded Poles Motors
K MOTORS
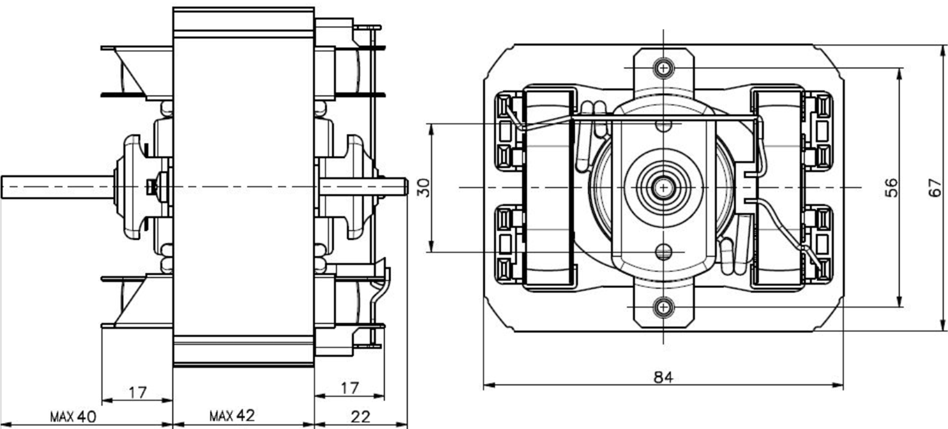
Shaded poles motors mainly installed inside cooker hoods and air circulation systems in general.
Available in different electrical and mechanical configurations.
Technical Features
| Technology | Shaded Pole Motor |
| Rated Voltage | 220 V – 240 V |
| Rotation | Clockwise / Anticlockwise |
| Fixing System | Screws on motor support |
| Insulation Class | F (EN 60335) |
| Operating temperature range | 10 °C / 50 °C |
| Protection Degree | IP00 |
| Accessories | Available different kind of impellers and motor supports. Wirings and connectors customizable on request. |
