- Applicazioni - Elettrodomestici: Blowers for hood and induction hobs
- Products: Centrifugal blowers
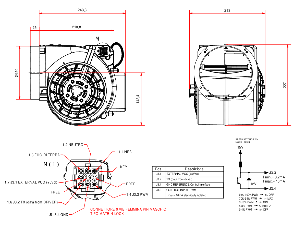
HEI-PMSM
HEI-PMSM blower represents a flexible solution developed by EMC FIME to meet customers requirements on the residential ventilation and cooker hoods markets. The system is equipped with a brushless motor to catch up 1,200 m3/h airflow and it is characterized by:
High efficiency
Low and good quality of noise
High resistance
Compact dimensions
Low and good quality of noise
High resistance
Compact dimensions
Technical Features
| Material Housing | Special PP mineral charged V2 |
| Material Impeller | PP plastic V2 |
| Insulation Class | F 155 (EN 60335-1) |
| Protection Class | II |
| Mode of Operation | Continuous operation |
| Connection Input Power | Mate-n-lok 9 vie |
| Carbon Filter | Available |
| Ambient Temperature | 40 °C |
Performance
| BLOWER Type | HEI-PMSM 1000-01 | HEI-PMSM 1100 |
|---|---|---|
| MOTOR Type | Brushless | Brushless |
| Voltage [V] | 230 | 230 |
| Frequency [Hz] | 50 | 50 |
| Ball bearing | YES | YES |
| Anti-vibration Silent-block | YES | YES |
| Speed | - | - |
| Minimum Air flow [m3/h ±5%] | - | - |
| Maximum Air flow [m3/h ±5%] | 950 | 1100 |
| Power input [W] | 220 | 220 |
| Capacitor Included | NO | NO |
| Noise level [dB(A)±5%] | 64,3 | 66,5 |
| Maximum Static Pression [PA ±5%] | 590 | 595 |
| FDE [% ±5%] | 45,2 | 47 |
| Installation Category | A++ | A++ / A+++ |
