- Products: Blowers for hot air and Exhaust gases
- Applicazioni - Riscaldamento: Conventional and Biomass heating systems
DIE CASTED GR
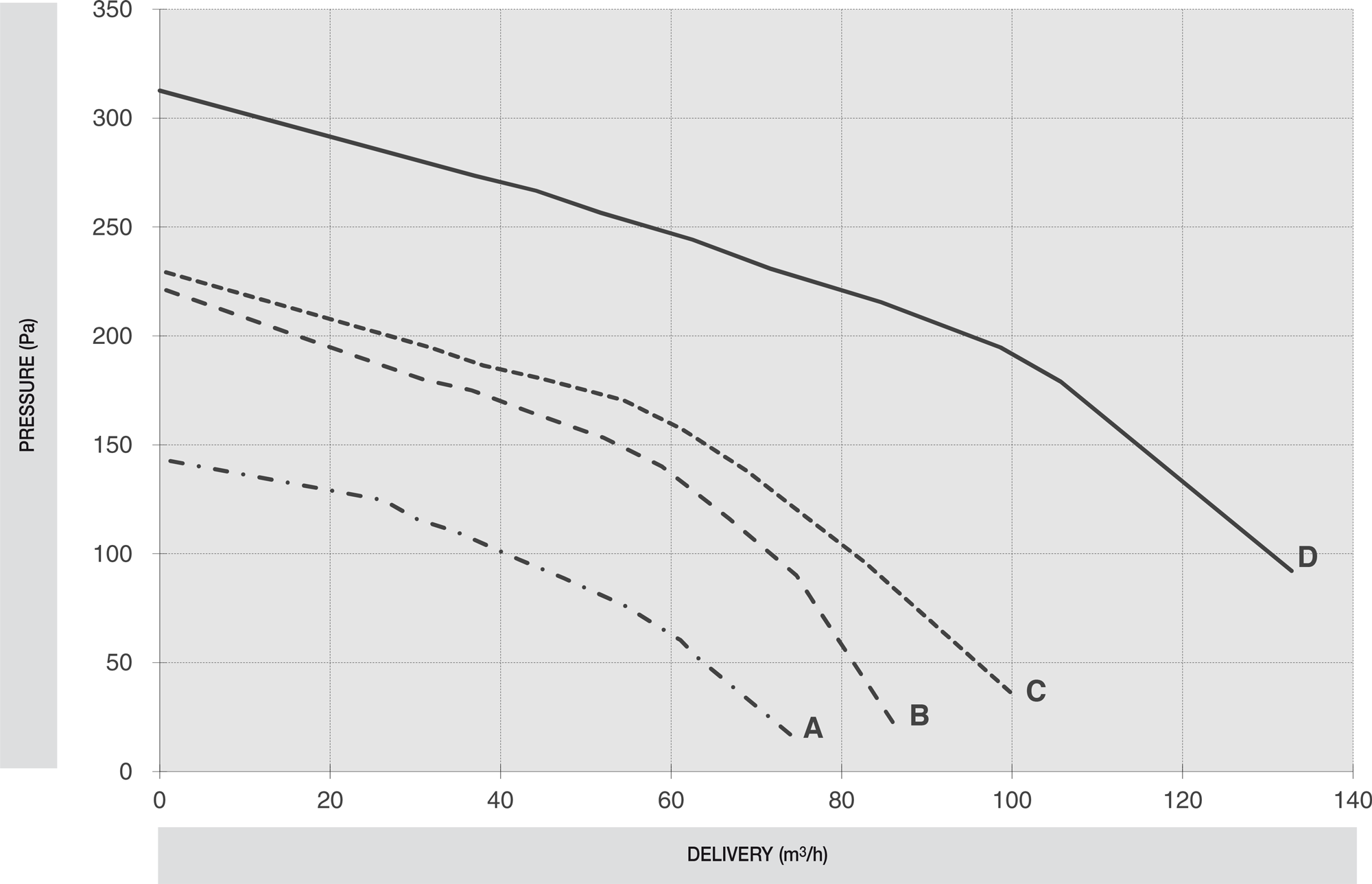
Exhaust fans, the scope of which is to ensure the correct flow of air, for efficient combustion. The broad range of power levels allows the customer to choose the best solution for each type of application. Fans can be equipped with different fastening systems and accessories used to measure rotation speed and pressure.
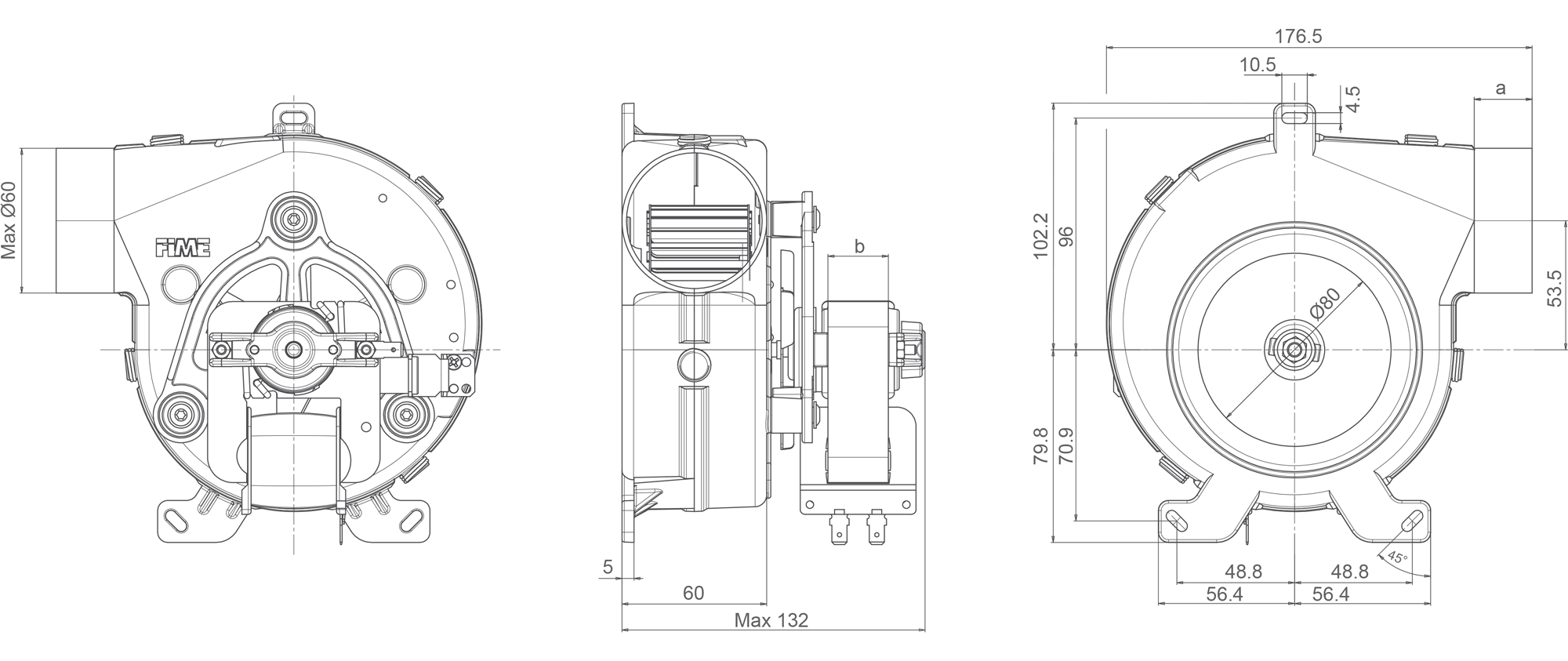
Technical Features
| Housing | Die-casted aluminium |
| Fixing system inlet | Brackets / Bayonet / Screws |
| Rotation | Clockwise / Counter clockwise |
| Fixing system outlet | Customized lenght of the nozzle Diameter: ø 56 - 60 mm |
| Operating temperature range | Ambient temperature 0° / 85° Max air stream temperature 180°C |

